Based on the Windows platform, EMTP-RV is a new generation graphical electromagnetic simulation software. This software has been widely adopted by numerous power companies in Europe and North America. This case study presents the application of EMTP-RV in assisting Bombardier Inc. of Canada to conduct in-depth research on the performance of the main power supply protection system in locomotive traction systems.
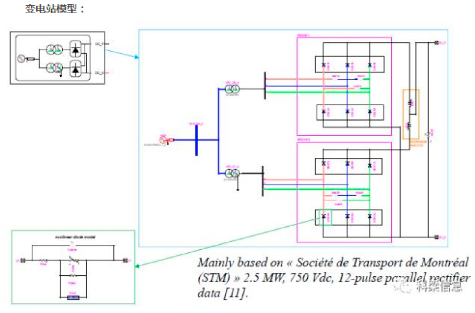
Bombardier is a transportation equipment manufacturer headquartered in Montreal, Quebec, Canada. Its main products include regional aircraft, business jets, rail and high-speed rail locomotives, and urban rail transit equipment. R&D engineers at Bombardier Transportation needed to build a detailed model of the locomotive's DC main power supply system to study the transient short-circuit current protection performance of the main power supply protection equipment within the locomotive system. Due to the mobile nature of locomotive operation, the complex topology of the locomotive's main power supply system, the diverse vehicle operating conditions, and the fact that fault severity levels are related to the locomotive's position, high demands are placed on the granularity of the locomotive traction system model. In DC power systems, traditional AC RMS-based steady-state simulation cannot meet the requirements for studying the transient characteristics of current protection devices.
Using EMTP-RV, the customer accomplished: research on locomotive equipment and cable protection; limitation of the high thermal effects and magnetic energy that typically occur under the locomotive; and further simulation of possible fault levels, definition of protection device specifications and ratings, estimation of fault duration, assessment of the selection suitability of fault protection equipment, and testing of protection device performance under different fault conditions.
Within locomotives, components like collector shoe fuses and high-speed circuit breakers play crucial roles in the locomotive's electrical protection system. When a short-circuit fault occurs in the locomotive's main power supply system, these current protection devices typically must operate within a very short time to protect the system. Traditional software based on AC RMS values for simulating protection devices is unsuitable for such requirements, as it cannot reflect the devices' operational characteristics under electromagnetic transient conditions.
DC traction systems require short-circuit current protection analysis and simulation to evaluate potential fault levels during operation, detection by protection devices, and exploration of arc extinction mechanisms. Based on these requirements, Bombardier R&D engineers developed a detailed simulation model on the EMTP-RV platform. EMTP-RV not only enables the simulation of detailed nonlinear power electronic component models but also supports simulation with a large-scale number of components. Bombardier engineers modeled various locomotive structures under the DC traction system, different fault locations, and different operating conditions (steady state, ...) within EMTP-RV, including substations, rails, and the main power supply system.




By utilizing advanced electromagnetic transient simulation software, the project fulfilled the need for research on short-circuit current protection in the DC main circuit of locomotive traction systems. The project completed: assessment of the severity of short-circuit fault conditions; determination of fault clearing time; selection of appropriate protection equipment based on criteria; and evaluation of their selectivity under different fault conditions.
■ Functional characteristics of the EMTP-RV simulation software;
■ Extensive library of power system electromagnetic transient simulation models;
■ Outstanding modeling flexibility;
■ Advanced simulation kernel solver;
■ Customizable GUI;
■ Extensive motor models and nonlinear power electronic model library;
■ No topological restrictions for nonlinear elements;
■ User-friendly human-machine interface;
EMTP-RV is a simulation and analysis software widely used for transient analysis in electromagnetic, electromechanical, and control systems. EMTP-RV is suitable for a broad range of power system analysis applications, including but not limited to:
■ Insulation coordination;
■ Switching surges;
■ Ferroresonance;
■ HVDC;
■ Protection;
■ Shaft torsional stress;
■ Synchronous machines;
■ Power electronics and FACTS;
■ Wind turbines;
■ Lightning surges;
■ Electrical network analysis;
■ Series compensation;
■ Switching devices;
1. Insulation coordination includes:
Overhead lines; Outdoor substations; Gas-insulated substations; Surge arrester models;

■ Specific insulation levels
■ Installation of protection equipment
Economically acceptable risk of failure
Insulation coordination
■ Lightning surges can cause insulator chain flashover
Grid outages
Voltage dips
■ Direct lightning
Lightning as a current source model (CIGRE model)
■ Induced lightning
Induced voltage: below 10 kV, a challenging issue for low-voltage systems
■ Suitable for statistical and parametric studies
1. Switching Surges
■ Study of switching topologies
■ Electrical network analysis
Switching of transmission lines
Fault inception and clearance
Capacitor switching
Reactor switching
■ Circuit breaker models
Ideal switch for TRV studies
Arc model for arc quenching capability studies
Suitable for statistical and parametric studies

1. Ferroresonance
■ Oscillatory phenomenon
■ Four elements
Nonlinear inductance (power transformers, potential transformers)
Capacitance (cables, air-insulated conductors)
Voltage source
Low losses
■ EMTP-RV models (transformers, cables, lines) are accurate and effective in the frequency domain
■ EMTP-RV solver simulates nonlinear elements with high accuracy
■ EMTP-RV software can be used to understand, analyze, and eliminate ferroresonance
4. 电力电子和FACTS(HVDC,多端HVDC,SVC,VSC,TCSC)
Power Electronics and FACTS (HVDC, multi-terminal HVDC, SVC, VSC, TCSC)
■ The EMTP-RV solver provides advanced solvers for power electronics simulation, avoiding numerical instability issues during switching
■ Detailed models of switching elements can be implemented
■ Control systems can be designed
■ Provides numerous FACTS (SVC, STATCOM) models

5. HVDC
1. HVDC
■ HVDC simulation requires both a well-performing solver and high-precision models (MOSFET, control, cables, fault simulation, etc.)
■ Can simulate bipolar, back-to-back, and multi-terminal HVDC systems
■ Simulation includes both average-value models and detailed models
■ Generic and complete models for MMC-based multi-terminal HVDC can be simulated

1. Lightning Surges
■ Backflashover
■ Induced surges
■ Surges entering substations
2. Network Analysis
■ Network segmentation, power quality, geomagnetic storms, interactions between compensation and control elements, wind turbines
■ Unbalanced grid distribution
■ Detailed simulation and analysis of large-scale power systems (no upper limit)
■ Distributed electrical networks and distributed generation
3. Protection
■ Power swings
■ Saturation issues
■ Impact of surge arresters
4. Series Compensation
■ MOV energy absorption
■ Short-circuit current conditions
■ Network interactions
5. Shaft Torsional Stress
■ Subsynchronous resonance
■ Switching-induced transients
6. Switching Devices
■ TRV
■ Shunt compensation
■ Current chopping
■ Current zero delay
■ Arc phenomena
7. Synchronous Machines
■ SSR
■ Self-excitation oscillations
■ Control