With the development of power electronics technology and the continuous advancement of renewable energy integration technologies, supportive policies have propelled the rapid growth of the wind power industry. Series capacitor compensation technology reduces line losses, increases transmission capacity, and enhances system stability. It is a mature and cost-effective solution for long-distance power transmission and has become a primary measure for delivering large-scale wind farm power to the grid.
However, opportunities and challenges often coexist. When wind turbines are connected to the grid via fixed series compensation, they face the threat of subsynchronous oscillation. In October 2009, a subsynchronous oscillation incident caused by series capacitors occurred at a wind farm in Texas, USA. At the end of 2012, several similar incidents were reported at a wind farm in North China. Consequently, the issue of subsynchronous oscillation in wind power systems has gained increasing attention from researchers worldwide. However, research into its mechanisms, analysis methods, and mitigation measures is still in its early stages, requiring extensive simulation experiments to provide solid verification and theoretical foundations.
Advanced digital modeling and simulation technologies are increasingly becoming essential research tools in power electronics and power system fields. Using digital simulation platforms can effectively shorten development cycles, reduce testing costs, and simulate test environments that are difficult to achieve in practice. To effectively mitigate subsynchronous oscillation caused by series capacitor compensation in wind turbines, Shanghai KeLiang proposes a hardwareintheloop simulation platform for studying subsynchronous oscillation in wind farms with series compensation. A model of a doublyfed induction generator connected via a seriescompensated line to an infinite bus is built in the RTLAB environment. By leveraging PC multicore distributed parallel computing and FPGA highspeed digital signal processing technologies, computation time is reduced and simulation accuracy is improved. Based on the applicationlayer development toolboxes RTEVENTS and RTEDrive, along with the realtime model solver ARTEMIS, the model adopts the SSN solver scheme to address the dense system simulation decoupling challenges in realtime simulation. This platform can be applied to nodeintensive simulation systems such as smart substations and microgrids, and is widely suitable for analyzing the causes of subsynchronous oscillation in clustered wind farms or large power grids, as well as for verifying oscillation issues induced by series capacitor compensation in wind farms.
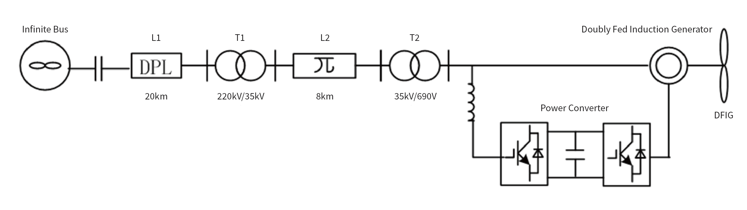
Project Requirement: Simulation model of subsynchronous oscillation caused by series compensation in a wind farm connected to a singlemachine infinite bus system.

The simulation time is 10 s with a step size of 50 μs. The wind speed is set to 11 m/s, and the initial reactive power is set to 0 pu. When no series capacitor compensation is connected in the singlemachine infinite bus system, the simulation results are shown in Figure 2 and Figure 3:

Figure 2: Simulation results of stator and rotor threephase voltages of the wind turbine

Figure 3: Simulation results of wind turbine angular speed, active power, reactive power, and DC voltage
From the simulation waveforms, it can be observed that without series capacitor compensation, the system reaches a stable operating state after 3 s. The captured statorside and rotorside voltages, as well as the wind turbine’s active power, reactive power, angular speed, and DC voltage, all meet the expected results.
In the simulation model with capacitor compensation applied to the singlemachine infinite bus system, series compensation is connected at 4 s and removed at 6 s, with a compensation capacitance of 6e4 F. The simulation results are compared and analyzed.
When series capacitor compensation is connected in the singlemachine infinite bus system, the simulation results are shown in Figure 4 and Figure 5:

Figure 4: Simulation results of stator and rotor threephase voltages after series capacitor compensation

Figure 5: Simulation results of wind turbine angular speed, active power, reactive power, and DC voltage after series capacitor compensation
From the simulation results, it can be seen that when series capacitor compensation is applied for reactive power support during the 4–6 s period, the magnitudes of the statorside and rotorside voltages remain unchanged, but harmonic distortion appears. The output active power, reactive power, angular speed, and DC voltage of the wind turbine change, mainly manifesting as increased amplitudes and a frequency shift from the original 50 Hz to approximately 40 Hz. The primary cause of this phenomenon is that when wind power is delivered through a fixed seriescompensated line, interaction between the rotorside converter of the wind turbine and the fixed series compensation induces subsynchronous oscillation in the system.
Through repeated simulation experiments, it has been observed that under identical conditions, higher series compensation capacitance increases the likelihood of subsynchronous oscillation.